鼓風干燥箱使用說明書!
DHG-9000型系列電熱恒溫鼓風干燥箱容積有40升、100升、140升、220升四種規格,美觀實用。外殼體均采用鋼板焊接而成,表面噴涂,內室鋼板噴涂耐高溫銀粉漆或不銹鋼板制成,設有二至四層擱板。隔溫采用超細玻璃棉,箱門設有雙層玻璃觀察窗,工作室與箱門裝有耐熱硅橡膠或石棉繩隔溫密封。干燥箱的電源開關、控溫儀等操作件均集中在箱體前面,便于操作。
箱內加熱恒溫系統裝有電加熱器、控溫儀、風機、合適的風道結構組成。當接通電源時,風機同時工作,將電熱器產生的熱量通過風道排出,經過工作室內干燥物品再吸入風機,如此不斷循環使溫度達到均勻。
控溫儀為微電腦智能型數字控溫儀,采用遞進式加溫,限度抑制溫度過沖,具有自整定功能,控溫精度高,設定溫度帶有保護裝置,同時具有跟蹤報警功能。
四、使用方法
1、將被干燥的物品放入工作室內,關好箱門后再接通電源。
2、調節控溫儀設定溫度,加熱指示燈亮,開始進入加熱,方法如下:
將電源開關撥至“開”處。約7秒鐘,控溫儀上部顯示箱內溫度,下部為設定溫度。按↑↓鍵一下,上排顯示SP,按▲或▼鍵使下排顯示為所需要的設定溫度,再按↑↓鍵一下,上排顯示ST( 按▲或▼鍵使下排顯示為所需要的定時時間,當ST設置為0時儀表取消定時功能,當ST設置不為0時,儀表才有定時功能。正常情況無需設定時間,本時間為本機工作計時,到時關閉,沒有再起動功能。)再按↑↓鍵一下,回到標準模式控溫儀設定即告結束,儀器即可正常工作。一般情況下,加熱90分鐘后溫度控制進入恒溫狀態。
3、打開箱門,把所需物品放入箱內,關好箱門,如箱門開門時間過長,箱內溫度有些波動,這是正常現象。
4、在物品干燥期間,除非放、取箱內物品外,不要打開箱門,以免影響溫度。
5、當所需工作溫度較低時,可采用二次設定方法,這樣可降低或杜絕溫度過沖現象,使工作室盡快進入恒溫現象。
6、根據需要選擇干燥時間,干燥結束后,把電源開關撥至“O”,如不馬上取出物品,小心燙手,可先打開箱門,降低箱內溫度。
五、注意事項
1、干燥箱外殼必須有效接地,以保證使用安全。
2、干燥箱應放置在具有良好通風條件的室內,在其周圍不可放置易燃易爆物品。
3、箱內物品放置切勿過擠,必須留出空間。
4、箱內外應經常保持清潔,長期不用應蓋好塑料防塵罩,放在干燥室內。
六、故障處理
|
現 象 |
原 因 |
處 理 |
|
1、無電源 |
1、插頭未插好或斷線
2、熔斷器開路 |
1、插好插頭或接好線
2、換熔斷器 |
|
2、箱內溫度不升 |
1、設定溫度低
2、電加熱器壞
3、控溫儀壞
4、風機壞 |
1、調整設定溫度
2、換電加熱器
3、換控溫儀
4、換風機 |
|
3、設定溫度與箱內溫度相差大 |
1、溫度傳感器壞
2、設定溫度微調電位器未調整好 |
1、換溫度傳感器
2、調整微調電位器 |
|
4、超溫報警異常 |
1、設定溫度低
2、控溫儀壞 |
1、調整設定溫度
2、換控溫儀 |
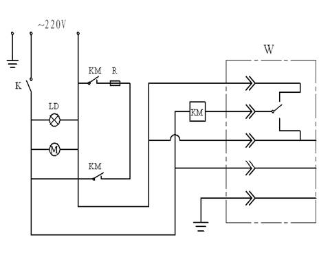
七、電器原理圖:

八、裝箱清單:
|
序號 |
類別 |
名 稱 |
單位 |
數量 |
備注 |
|
1 |
文件 |
使用說明書 |
份 |
1 |
|
|
2 |
文件 |
合格證 |
份 |
1 |
|
|
3 |
文件 |
保修卡 |
份 |
1 |
|
|
4 |
備件 |
熔斷器芯 |
只 |
2 |
|
